Tech Specs
Pebble is a battery-powered, cellular-based, multi-sensor development board designed by IoTeX and Nordic Semiconductor, combining tamper-proof hardware and tamper-proof software to generate verifiable data.
Pebble is equipped with high-quality GPS, climate, motion, and light sensors. Data can be easily streamed in real-time to an MQTT endpoint for use in Cloud or blockchain-based applications.
Pebble utilizes a secure element (nRF9160) to cryptographically sign all data, providing unparalleled verifiability and traceability for asset tracking, supply chain, and other applications.

CPU
Pebble is powered by a 64 MHz Arm® Cortex®-M33, 1 MB Flash and 256 KB RAM, with automated power and clock management, Arm TrustZone, and Arm CryptoCell 310
Integrated Sensors
Pebble combines an environmental sensor (temperature, relative humidity, barometric pressure, altitude, and volatile organic compounds - VOCs), a motion sensor (3-axis gyroscope, 3-axis accelerometer), and an ambient light sensor. It's also equipped with cellular network connectivity and integrated GPS supporting precise, long range tracking of asset data using established cellular infrastructure.
Sensor
Details
Relative humidity
Barometric pressure
Ambient temperature
Air quality (VOC)
3-axis gyroscope
3-axis accelerometer
External GPS TD1030
Position accuracy: 3m
Speed accuracy: 0.1 m/s
Data frequency: 1 hz to 10 Hz
45,000,000:1 Dynamic Range
Operation to 60,000 lux in Sunlight
Very High Sensitivity
Package UV Rejection Filter
Buzzer Mallory Sonalert AST7525MATRQ
Frequency: 2700 Hz
Sound Pressure Level (dB/min): 85 at 10cm
Network Connectivity
Pebble includes a Multimode LTE-M/NB-IoT modem for cellular communication. To have your Pebble connected to the Internet you will need an IoT-enabled** SIM card that supports either NB-IoT or LTE standards.
Data format
JavaScript Object Notation (JSON) is utilized to represent the sensor data collected by a Pebble as well as the corresponding ECDSA digital signature. Pebble utilizes ECDSA over the elliptic curve sepc256r1 to sign the collected sensor data (i.e., the message field in the Pebble data format)
Supported data types include Number, String and Array defined as follows:
Data Type
Data Size
Data Range
Array
16-bit
-32768 ~ +32768
Number
64-bit
-1.79E+308 ~ +1.79E+308
String
null-terminated string
An example of a JSON object containing a data point collected by the Pebble is shown below, it consists of a sensor data object named "message", and a digital signature data object named "signature":
{
message: {
SNR: 2,
VBAT: 4.0750732421875,
latitude: 3050.69225,
longitude: 11448.65815,
gas_resistance: 1166811,
temperature: 36.23188400268555,
pressure: 1003.82000732421885,
humidity: 55.755001068115234,
light: 1639.67767,
gyroscope: [-12, 11, 14],
accelerometer: [-711, -231, 8260],
timestamp: 3443547577,
random: "3767398368",
rsa_n: "0xa709e2f84ac0e21eb0caa018cf7f697...8f628698f0c7b420c4b7",
rsa_e: "0x010001"
},
signature: {
r: "D7797968EAA3FFE5F8057C9D97F707A4A96CBFC250115FE6293EBA5E90327174",
s: "643A8CB823110376A5D30201463CF69CDF8CBF1C050EB85B023CABFB589C3222"
}
}The message object includes the following sensor data:
Sensor Data
Data Type
Description
SNR
Number
Signal-to-noise ratio of NB-IoT/LET-M
VBAT
Number
Voltage of battery
latitude
Number
gps latitude
longitude
Number
gps longitude
gas_resistance
Number
Air quality (indoor)
temperature
Number
Environmental temperature
pressure
Number
Air pressure
humidity
Number
Environmental humidity
light
Number
Ambient Light
gyroscope
Array
Angular velocity around the X-axis, Y-axis and Z-axis
accelerometer
Array
Acceleration along the X-axis, Y-axis and Z-axis
timestamp
String
Timestamp of sensor data sampling
random
Number
A random number generated by the onboard random number generator
rsa_n
Number
Modulus of the RSA keys (only provided in specific applications where on-chain data encryption is involved)
rsa_e
Number
Public exponent of the RSA keys (only provided in specific applications where on-chain data encryption is involved)
The signature data object contains the following signature data:
Digital Signature
Data Type
Description
r
Number
r value of an ECDSA signature
s
Number
s value of an ECDSA signature
Onboard RGB Led
Pebble includes an RGB led to show the status of the Pebble, the table below shows all the possible led states and the respective meaning:
LED Color (Blink Rate)
GPS Signal
Charging
NB-IoT/LTE Connection
Flashing the Firmware
Blue (fast)
Blue (slow)
✓
Red (steady) + Purple (fast)
✓
Red (steady) + Purple (slow)
✓
✓
Cyan (fast)
✓
Cyan (slow)
✓
✓
Red (steady) + White (fast)
✓
✓
Red (steady) + White (slow)
✓
✓
✓
Red (fast)
✓
Note that the led will blink at least twice in 1 second when in fast mode, and once in 5 seconds when in slow mode.
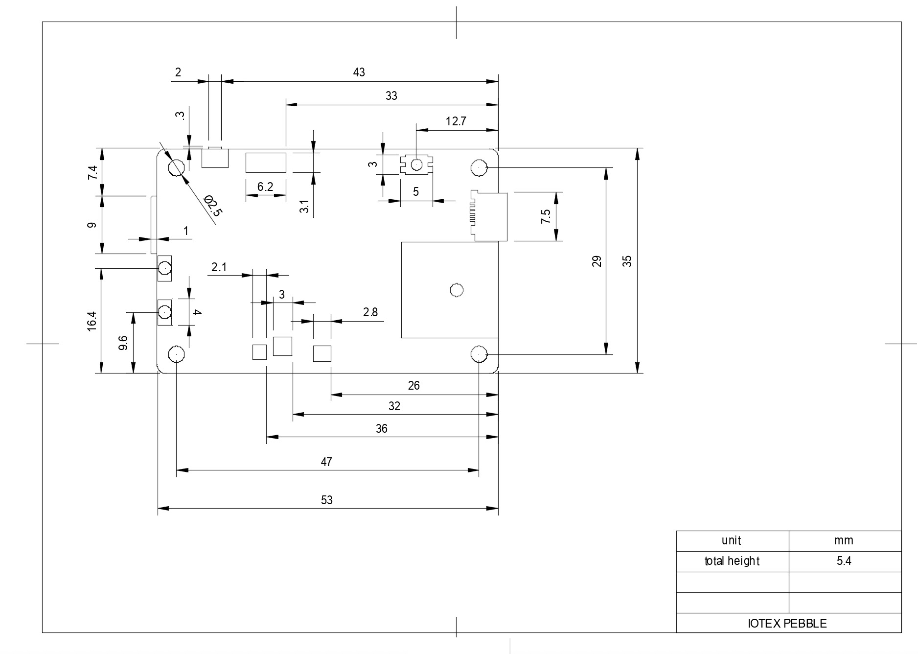
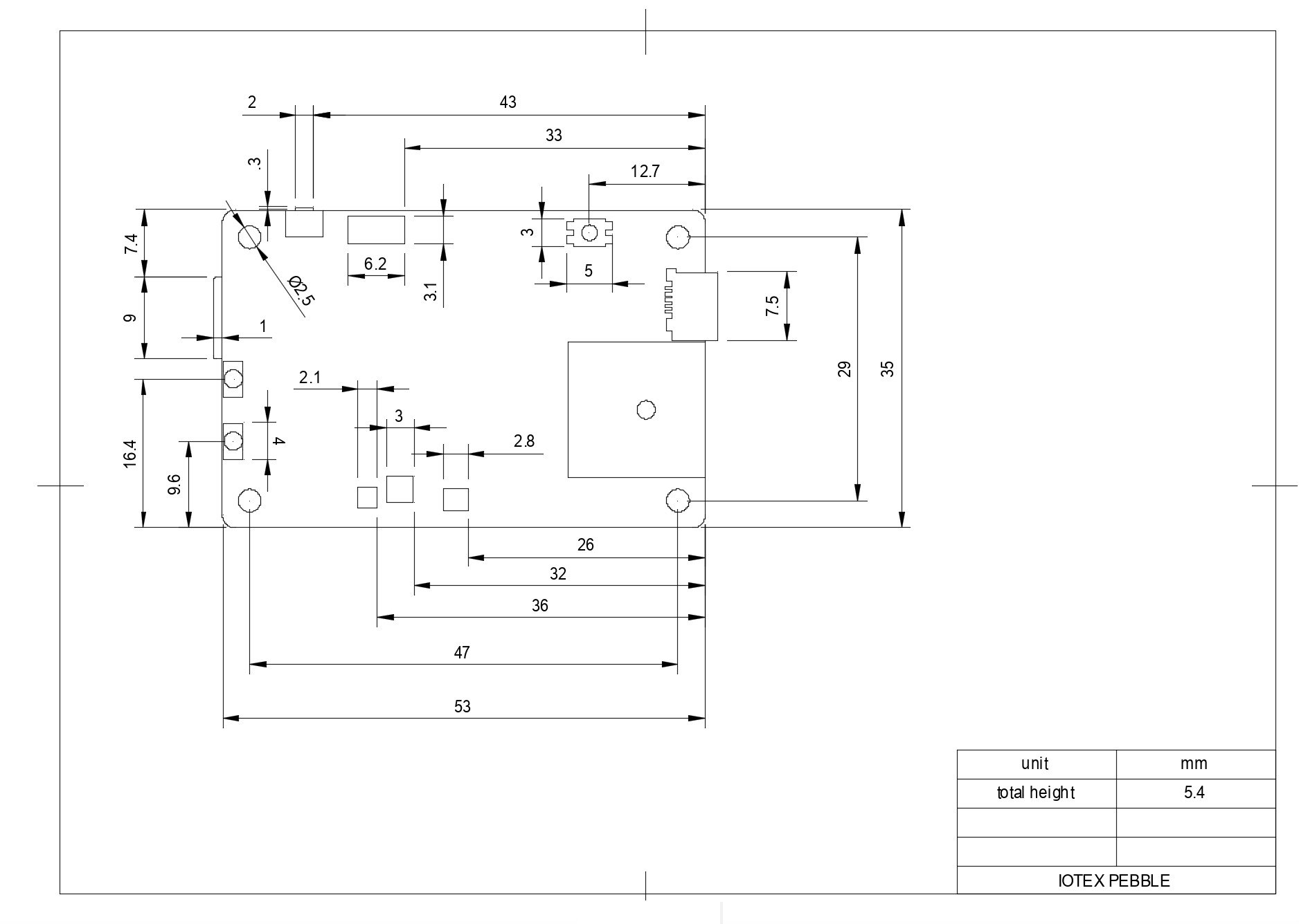
2D Drawing


